Probyte
web kauppa
Hardware
Software
Instek teholähteen PSP-405 korjausopas

Instek teholähde on erinomainen, silloin kun se
toimii.
Siinä on eriomaisen kestävä prosessoriosuus.
Siinä on kuitenkin hivenen huono teholähdeosuus.
Yritän näillä ohjeilla antaa neuvoa tämän
laitteen korjaukseen
Itse olen melkein vuosittain korjannut tuon teholähdeosuuden.
Viime kesänä laite lakkasi taas toimimasta.
Siihen ei tullut mitään valoa.
Otin laitteen auki ja mittailin sulakkeet, kytkimet.
Kaikki näytti olevan kunnossa.
Mutta kun mittasin apujännitteitä, mikään ei
näyttänyt toimivan.
Mittasin tehotransitorit ja niiden ohjausvastukset (niissä on
ollut avonaisia, vaikka päällepäin ei niitä
näy)
Ei mitään vikaa.
Ohjaushakkurin (TL494) transitorit olivat myös kunnossa, vaikka
itse ohjain ei saanut mitään jännitettä.
Siis aputeholähdekö on viallinen?
En saanut mitään jännitettä
aputeholähteestä.
Se pitää mitata toison puolelta ( kaksoisdiodin
jälkeen), sillä kerran rikoin sen aputeholähteen
hakkurin kun lipsautin mittajohtoja ensiöpuolella.
Katselin sitä piirilevyä ja yhtäkkiä huomasin vian!
==
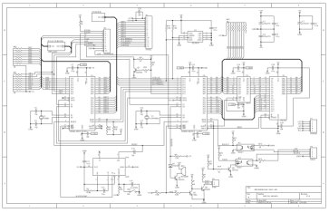
Ensinnäkin anna kaikki viisi kytkentäkaavaa, joista on apua
korjauksessa.
Sitten annan tehtaan omat korjausohjeet.
Ne eivät ole kovin
kummosia.
Sitten annan omat kokemeukseni korjauksista noin 22 vuoden ajalta.
Joka kerta olen saanut laitteen takaisin toimimaan.
Viimeksi korjasin laitteen kesällä 2022.
Niitä on kolme Wordilla tehtyä dokumenttia.


Hinta 20e sis alv.
Toimitus sähkööpostilla
Ota yhteyttä
Probyte Oy
probyte.fi